SR-KUB 1017
SU.210.001017
Application
The SR-KUB is used for the construction of rigid and precise units with SFERAX ball bearings.
Design
Made of soft low-carbon steel and can be delivered with or without ball bearing or seal. Ball bearing quality is the user’s choice.
Precision
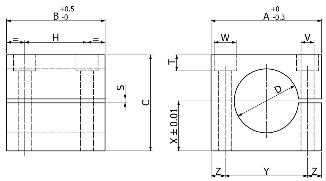
The parallelism and the distance between the base and the centre bore are guaranteed to ± 0,01 mm, depending on the quality of ball bearing. The base is ground.
Length
34 mm
Available
| Product Number | SU.210.001017 |
| Width | 35 mm |
| Height | 30 mm |
| Volume | 35700 |
| Product Designation | SR-KUB 1017 |
| Net Weight | 192 g |
| Outer diameter D | 0 |
| Inner diameter d | 0 |
| Length | 34 mm |
| Dynamic factor Y | 0.000000 |
| Diameter Counterbore W | 8 |
| Diameter screw slot V | 4.5 |
| Distance screw hole-edge Z | 5.5 |
| Spacing screw H | 18 |
| Spacing screw Y | 24 |
| Height C | 30 |
| Height center X | 16 |
| Width A | 35 |
| Width groove | 1.5 |
| Length B | 34 |
| Material | Acier |
| Depth Counterbore T | 5 |
| Inner diameter D | 17 |
