SA-PLAST 2032
SU.320.002032
Utilisation
Le SA-PLAST est un support-axe avantageusement utilisé avec le SR-PLAST pour des constructions ne nécessitant pas une grande précision mais un déplacement facile.
Construction
Il est injecté en matière plastique (ABS). La base est fraisée.
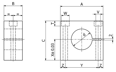
Diamètre intérieur d
20 mm
Longueur
22 mm
Disponible
| Numéro de produit | SU.320.002032 |
| Largeur | 51 mm |
| Hauteur | 47 mm |
| Volume | 52734 |
| Désignation produit | SA-PLAST 2032 |
| Poids net | 44 g |
| Diamètre extérieur D | 0 |
| Diamètre intérieur d | 20 |
| Longueur | 22 mm |
| Coeff. Facteur Dynamique Y | 0.000000 |
| Diamètre Lamage W | 9.5 |
| Diamètre passage de vis V | 5.5 |
| Distance trou de vis-bord Z | 6 |
| Ecartement vis Y | 39 |
| Hauteur C | 47 |
| Hauteur centre X | 25 |
| Largeur A | 51 |
| Largeur Rainure | 2 |
| Longueur B | 22 |
| Matière | Plastique |
| Plage de température admise | -30°C / +80°C |
| Profondeur Lamage T | 6 |
