SR-AL 3045
SU.410.003045
Utilisation
Cet élément est en principe le complément du SA-AL. Il simplifie l’utilisation des douilles SFERAX.
La qualité du roulement doit être choisie par l’utilisateur.
Construction
Le support SR-AL est fabriqué en aluminium et prêt au montage. Il est livré avec ou sans roulement et joints racleurs.
Précision
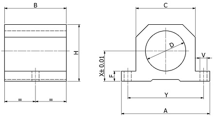
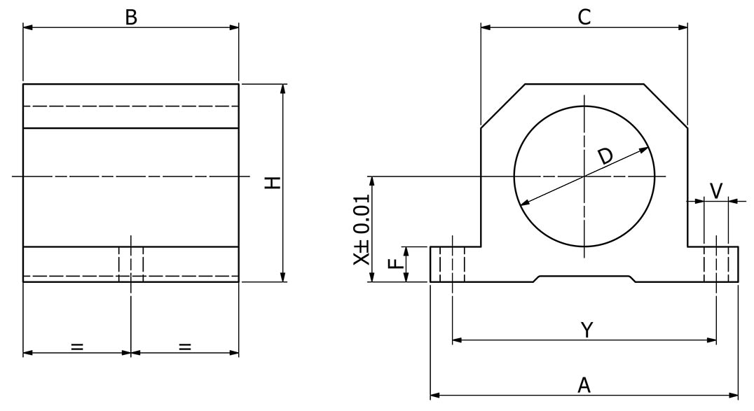
Le parallélisme entre la base d’appui et l’alésage est garanti à ± 0,01 mm selon la qualité du roulement choisi.
Longueur
68 mm
Disponible
| Numéro de produit | SU.410.003045 |
| Largeur | 102 mm |
| Hauteur | 72 mm |
| Volume | 499392 |
| Désignation produit | SR-AL 3045 |
| Poids net | 686 g |
| Diamètre extérieur D | 0 |
| Diamètre intérieur d | 0 |
| Longueur | 68 mm |
| Coeff. Facteur Dynamique Y | 0.000000 |
| Diamètre intérieur (ext roulement) D | 45 |
| Diamètre passage de vis V | 6.5 |
| Entraxe vis Y | 89 |
| Hauteur H | 72 |
| Hauteur Base F | 11 |
| Hauteur centre X | 38 |
| Largeur C | 76 |
| Largeur A | 102 |
| Longueur B | 68 |
| Matière | Alu |
| Inner diameter (Ø shaft) d | 30 |
