SR-OUV-AL-R 3045
SU.511.003045
Utilisation
Le SR-OUV-AL-R est utilisé avec le SFERAX-OUV. Il est réglable.
Construction
Il est fabriqué par les mêmes procédés que le SR-OUV-AL, avec en plus un système de réglage du diamètre du roulement.
Précision
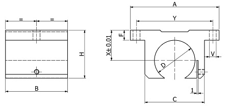
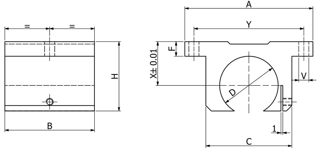
Le parallélisme entre la base d’appui et l’alésage est garanti à ± 0,01 mm selon la qualité du roulement.
Longueur
68 mm
| Numéro de produit | SU.511.003045 |
| Largeur | 102 mm |
| Hauteur | 57 mm |
| Volume | 398820 |
| Désignation produit | SR-OUV-AL-R 3045 |
| Poids net | 545 g |
| Diamètre extérieur D | 0 |
| Diamètre intérieur d | 0 |
| Longueur | 68 mm |
| Coeff. Facteur Dynamique Y | 0.000000 |
| Diamètre intérieur (ext roulement) D | 45 |
| Diamètre passage de vis V | 6.5 |
| Entraxe vis Y | 89 |
| Hauteur H | 57.5 |
| Hauteur Base F | 11 |
| Hauteur centre X | 38 |
| Largeur C | 76 |
| Largeur A | 102 |
| Longueur B | 68 |
| Matière | Alu |
| Inner diameter (Ø shaft) d | 30 |
